
![]()
*手拉單軌行車屬于龍升品牌產品,手拉葫蘆配套工具。
*手拉單軌行車與手拉葫蘆配套使用,輕小型起重設備,簡單設計。
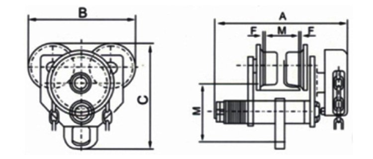
*手拉單軌行車是以手鏈帶動齒輪驅動,能夠在多種工字鋼軌道上左右行走的輕小型起重設備【可自由調節其寬度范圍】,主要有兩種型號GCI610和GCI619。
*手拉單軌行車配合手拉葫蘆,適用于機械工廠、礦山、電力、交通運輸等部門在無電源場合作重物移動時用。
![]()
手拉單軌行車屬于煙臺開發區龍海起重工具有限公司旗下品牌產品,產品保質周期為6個月(易損件除外),在產品保質周期內正常使用的情況下出現的質量問題,我公司可提供免費維修、免費更換配件、如因質量問題維修或更換配件仍然不能達到正常使用,可免費更換主機(產品附件以及易損件除外)由此產生的運輸,維修費用由我公司承擔。非質量問題我公司將收費處理,所產生的運輸、維修等費用由客戶承擔。
產品分類:手拉單軌行車