
煙臺開發區龍海起重工具有限公司銷售:美國Crosby科索比品牌,S-2 萬向起重接頭/鋼絲繩防轉器,可按需求定制
![]()
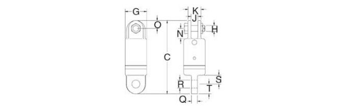
S-3 Crosby萬向起重接頭特點:
*S-3 Crosby萬向起重接頭負荷狀態下可頻繁作業,使用壽命長
*S-3 Crosby萬向起重接頭所有吊鉤都配有組裝好的閉銷
*S-3 Crosby萬向起重接頭配有圓錐滾子推力軸承,提供壓力潤滑裝置
*S-3 Crosby萬向起重接頭一邊都是U型,一邊是O型,載荷:3-45噸,可定制承重量達1250?噸,可滿足作業需求
注意:
*Crosby萬向起重接頭只能和推薦的鋼絲繩配套使用,有效防止鋼絲繩打結
![]() |
![]() |
| S-3 Crosby萬向起重接頭實拍(一) | S-3 Crosby萬向起重接頭實拍(二) |
![]() |
![]() |
| S-3 Crosby萬向起重接頭實拍(三) | S-3 Crosby萬向起重接頭實拍(四) |
萬向起重接頭目錄選型:鋼絲繩旋轉接頭?
S-3 Crosby萬向起重接頭相關產品: