
? ED-200液壓千斤頂為日本鷹牌EAGLE JACK液壓千斤頂系列產品,今野制作所,重工業級別,安全級別高,使用壽命長,無需維護,現由煙臺開發區龍海起重工具有限公司授權代理。

鷹牌EAGLE ED-200液壓千斤頂介紹:
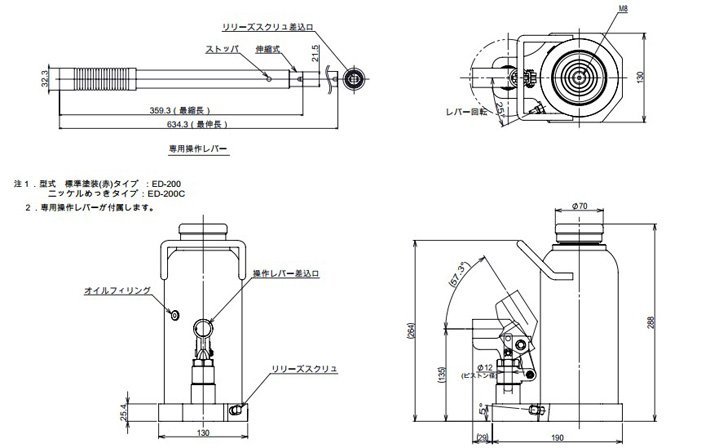
* 鷹牌EAGLE ED-200液壓千斤頂油缸活塞部分采用耐磨損、防銹的高強度鉻,電鍍加工工藝,防止生銹和變形。
* 鷹牌EAGLE ED-200液壓千斤頂設計有防超載安全閥、高度限位控制,提高工作安全性。
* 鷹牌EAGLE ED-200液壓千斤頂每次壓動手柄時液壓油的流量,可快速高效起升,降低勞動強度
* 鷹牌EAGLE ED-200液壓千斤頂旋轉式手柄插座,可從各個角度方向進行操作
* 鷹牌EAGLE ED-200液壓千斤頂可定制無塵室系列,適用于無塵室、潔凈車間等環境


鷹牌EAGLE ED-200液壓千斤頂實物:
我公司作為授權代理商承諾凡在我公司購買該品牌產品,若發現假貨、仿貨將以產品貨值的百倍賠償!

![]()
ED-200液壓千斤頂為日本鷹牌EAGLE JACK原裝進口產品,保質1年,我公司承諾凡是客戶在我公司訂購的進口類產品均為原裝正品,絕不存在拆件貨,換件貨,假冒品牌產品,凡客戶從我公司訂購日本鷹牌EAGLE JACK產品如收到貨物時發現有拆件貨,換件貨,假冒、假貨仿貨均以100倍金額賠償。
產品選型:液壓千斤頂?
相關產品:ED-200T低型液壓千斤頂(本體高度200mm)ED-200C無塵室用液壓千斤頂(鍍鎳處理,防靜電)
產品資料:液壓千斤頂的工作原理、液壓千斤頂基本操作、液壓千斤頂什么牌子好?、工廠機械設備提升定位液壓千斤頂、橫向使用EAGLE液壓千斤頂