
? 煙臺開發區龍海起重工具有限公司銷售日本遠藤ENDO氣動葫蘆:EHW氣動葫蘆,緊湊輕巧的設計, 因為它是由空氣驅動的,所以與電動式相比,點燃的可能性低,因此可用于化工廠等火災可能性高的場所。?

遠藤ENDO EHW氣動葫蘆介紹:
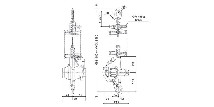
* 遠藤ENDO EHW氣動葫蘆為鋼絲繩型,EHW-60載荷60kg、EHW-120載荷120kg,行程1.9m
* 遠藤ENDO EHW氣動葫蘆下吊鉤安裝了提升、下降按鈕和手柄,方便操作
* 遠藤ENDO EHW氣動葫蘆與吊掛式相比,懸吊負載穩定,可操作性更好
* 遠藤ENDO EHW氣動葫蘆控制閥設計為在3個端口的2個位置有彈力恢復的短管閥,通過控制鏈接到線軸上的杠桿開關使閥工作
* 遠藤ENDO EHW氣動葫蘆附帶逆卷防止裝置,若鋼絲繩拉至行程1.9M時氣動馬達將自動停止。
* 遠藤ENDO EHW氣動葫蘆可配手拉小車(通過將其連接到懸架上,它可以手動實現平穩的橫向移動)、氣動小車(是一種以空氣為動力穿越懸吊負載的裝置)。

![]()
EHW氣動葫蘆為日本遠藤ENDO原裝進口產品,保質1年,我公司承諾凡是客戶在我公司訂購的進口類產品均為原裝正品,絕不存在拆件貨,換件貨,假冒品牌產品,凡客戶從我公司訂購日本遠藤ENDO產品如收到貨物時發現有拆件貨,換件貨,假冒、假貨仿貨均以100倍金額賠償。
產品分類:
產品資料: