

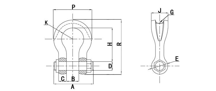
*寬體卸扣又稱扁平卸扣,屬于龍升品牌吊裝索具。
*寬體卸扣載荷:7噸~1550噸,更大噸位可定制。
*扁平卸扣采用合金鋼鍛造工藝制作,鋼絲繩吊索的耐磨性能明顯提高
*龍升美標寬體卸扣配合合理的操作可將索具有效拉力提高15%左右。
*扁平卸扣的弓形結構使的索具承載面積增大50%左右。
我公司寬體卸扣除了“龍升牌”還有:Crosby寬體卸扣G-2160(美國Crosby品牌)


龍升寬體卸扣在出廠前都單獨經(jīng)過了安全試驗和磁粉探傷檢測
【應用領域】適用于電力、造船廠、汽車制造、建筑、公路、橋梁、冶金、礦山、邊坡隧道、井道治理防護等場合。