
注:經日本TIRROLLER搬運坦克車制造商通知,該型號已停產
相關產品:

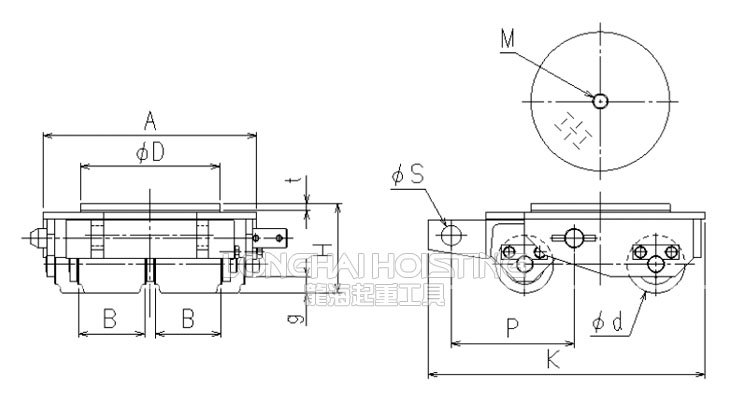
日本TIRROLLER WRS-U低型轉向搬運小坦克介紹:
* 日本TIRROLLER WRS-U低型轉向搬運小坦克超低設計,四輪驅動,體積小,重量輕,具有出色的耐久性和安全性
* 日本TIRROLLER WRS-U低型轉向搬運小坦克前輪向左和向右旋轉45°,以實現平穩的方向轉換
* 日本TIRROLLER WRS-U低型轉向搬運小坦克采用高品質滾輪,可在混凝土路面上使用,可減少對地板刮擦并具有抗振性能
* 日本TIRROLLER WRS-U低型轉向搬運小坦克帶有轉盤,轉盤易于在框架頂部改變方向
* 日本TIRROLLER WRS-U低型轉向搬運小坦克廣泛應用于工廠設備的搬運,車間布局的變更,車床、磨床、刨床的移動安裝,變壓器、鍋爐等大型設備的移動,住宅建設中房屋預制板、鋼鐵家具的移動及無塵環境的精密設備搬運等

日本TIRROLLER WRS-U低型轉向搬運小坦克為日本TIRROLLER原裝進口產品,保質1年,我公司承諾凡是客戶在我公司定購的進口類產品均為原裝正品,絕不存在拆件貨,換件貨,假冒品牌產品,凡客戶從我公司訂購日本TIRROLLER產品如收到貨物時發現有拆件貨,換件貨,假冒、假貨仿貨均以100倍金額賠償。