
? 煙臺開發區龍海起重工具有限公司銷售日本TIRROLLER直行搬運坦克車:W-UA搬運坦克車,載荷2噸~20噸,體積小,重量輕,框架耐用長期使用不變形,安全性高。

日本TIRROLLER W-UA搬運坦克車介紹:
* 日本TIRROLLER W-UA搬運坦克車輪子采用防震的聚氨酯輪子,降低對地面的損傷;起到保護作用
* 日本TIRROLLER W-UA搬運坦克車可在鋼板路面、混凝土路面使用
* 日本TIRROLLER W-UA搬運坦克車在框架的頂部使用了一個可以輕松改變方向的轉盤。
* 日本TIRROLLER W-UA搬運坦克車配有操作桿,轉向操作方便

日本TIRROLLER W-UA搬運坦克車實拍:
![]() |
![]() |
| 日本TIRROLLER W-UA搬運坦克車實拍一 | 日本TIRROLLER W-UA搬運坦克車實拍二 |

日本TIRROLLER W-UA搬運坦克車應用:
W-UA搬運坦克車適用于工廠設備的搬運,車間布局的變更,車床、磨床、刨床的移動安裝,變壓器、鍋爐等大型設備的移動等。
![]() |
![]() |
| 日本TIRROLLER W-UA搬運坦克車案例一 | 日本TIRROLLER W-UA搬運坦克車案例二 |

日本TIRROLLER W-UA搬運坦克車為日本TIRROLLER原裝進口產品,保質1年,我公司承諾凡是客戶在我公司訂購的進口類產品均為原裝正品,絕不存在拆件貨,換件貨,假冒品牌產品,凡客戶從我公司訂購日本TIRROLLER產品如收到貨物時發現有拆件貨,換件貨,假冒、假貨仿貨均以100倍金額賠償。
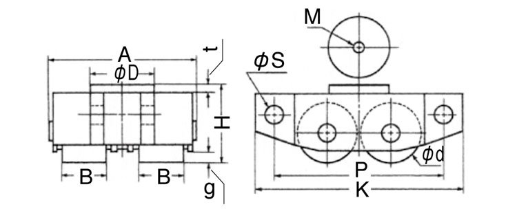
產品選型:
相關產品:
WSP-U搬運坦克車(合金鍍層,清潔環境使用)
WB-UA越障礙搬運坦克車(不平整地面使用)
產品資料:
直行搬運小坦克產品說明(包括產品結構、輪子、應用及注意事項介紹)